165-9161-5678
|


所属分类:
产品简介:
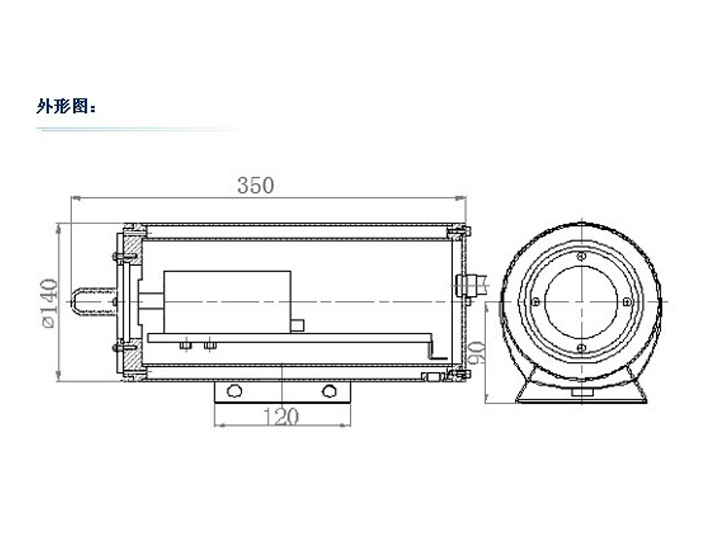
针孔防护罩采用双层不锈钢和铸铝端盖制成,适用于各种CCD摄像机。 端盖按针孔镜头设计,适用于高温、高高亮度、高粉尘,并有热粉飞溅或温差较大的环境。冷却压缩空气由前端针孔出来,起到防尘作用。使用环境温度≤800℃ 本设备可定做水冷型(另可承接各类非标耐腐蚀,耐高…
|
VLE-ZK-II |
VLE-ZK-I |
|
|
产品特点 |
冷却效果好,适合在水源资源丰富、 工况温度较高的地区使用 |
|
|
使用环境温度 |
≤1500℃ |
|
|
使用环境粉尘浓度 |
≤ 200mg/M3 |
|
|
压缩空气温度 |
≤ 35℃ |
|
|
压缩空气压力 |
0.3~0.4Mpa |
|
|
压缩空气流量 |
0.3~0.6m3 /min |
|
|
防护罩防护能力 |
达到 IP65 标准 |
|
上一篇:涡旋制冷管
下一篇:不锈钢遮阳高温防护罩
长按二维码打开网站
维立尔光电